玄人好みの空調技術【第5回】
第5回 クリーンルームのいろは③
間が空いてしまった。。。 クビになるかも。。。
でも、気を取り直して、今回もクリーンルームのお話です。
これでクリーンルームのいろはを締めくくりたいと思います。超大作になってしまったので、最後までお付き合いください。
前々回、前回はクリーンルームの定義と4原則について話しました。
今回はクリーンルームには切っても切れない大事なもの、HEPAフィルターについてお話をしたいと思います。
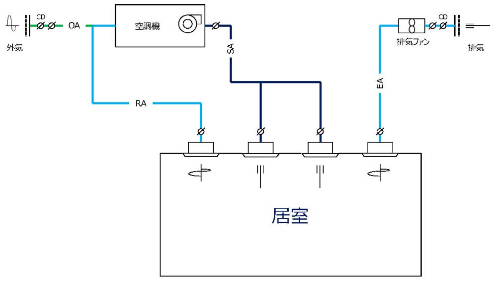
だいたい、室内を空調するときは以下のようになっていますよね。
部屋の空気だけ循環させただけじゃ酸欠になっちゃうので、外気も入れて換気もします。法律でも決まっていますし。基本はこういう形が一般的な空調設備になります。
事務所にはエアコンしかないぞ。と言う人もいるかもしれませんが、この空調機がエアコンに代わったと思ってください。
■基本的な空調フローのイメージ図

これをクリーンルームにするために活躍するのがフィルターです。
で、フィルターを備えて、クリーンルームにすると、こんな感じです。
ちょっと高度な工場を意識して、外調機とか局所排気も入れちゃってますが。
イメージですので、細かい突っ込みは受け付けないこととします。(笑)
■クリーンルームの空調フローのイメージ図

外気は埃の宝庫です。大きいものから小さいものまで。目に見えるものから見えないものまで。なので、まず外気に含まれる大きな塵埃をプレフィルターで取り除きます。そのあと、外調機や空調機に入っている中性能フィルターで中くらいから小さ目の塵埃を取り除き、部屋に吹く直前に設けられるターミナルフィルターユニット(HEPAフィルターが入ってる。ここで登場 HEPAフィルター)で細かい微細な塵埃を取り除くことになります。
また、室内でも塵埃が発生します。室内では何が一番の発生源か?
そうです。人です。しゃべれば飛沫が飛ぶし、歩けば服が擦れて埃が舞う。塵埃が発生しにくいクリーン服を着ていても塵埃の発生はゼロにはできません。あとは生産装置です。クリーンルームではクリーンブースなどで囲われた中で生産や作業が行われるので、塵埃が室内に拡散するリスクは低いと思います。(クリーンブースが壊れたら知りません。www)
このように室内で発生した塵埃については、室内の空気を空調機などで循環させて、空調機に組み込まれたフィルターと先ほども出てきたターミナルフィルターユニットで取り除いて、清浄な空気を室内に給気することになります。
クリーンルームって色んな所に様々なフィルターが使われているのが分かると思います。読んでくれてる人の中には「最初からHEPAフィルターで全部取っちゃえばいいんじゃないの?」と思ったりする人もいるかもしれませんね。
コメント
/
/
/
コメント